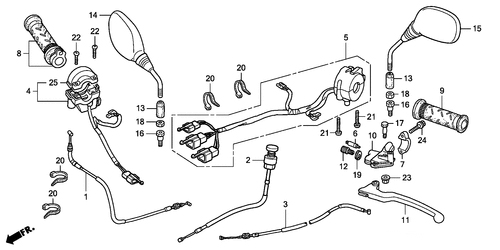
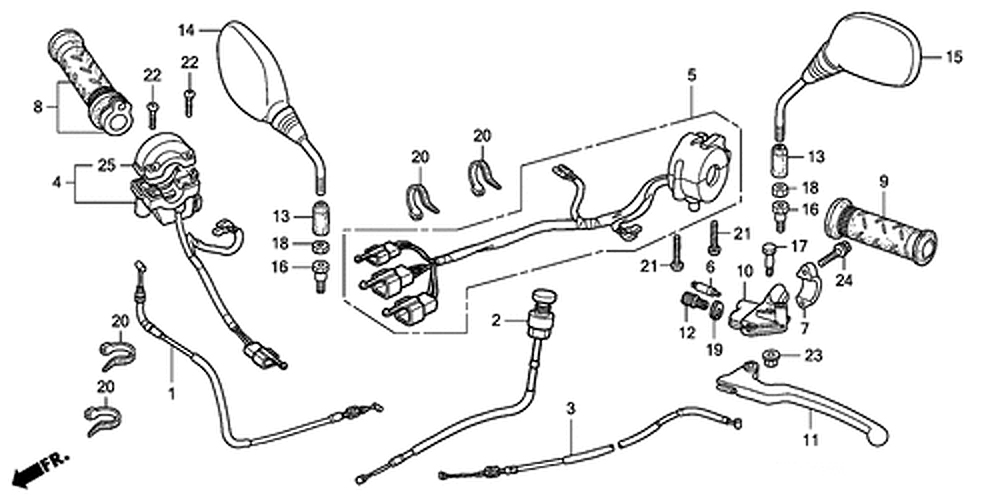
Honda CBR 125 05

STK. REF. NR. OEM NR. BRUGT RESERVEDEL
1 5 35200-KPP-861 KONTAKT, STYR V. RIDSET